روشهای تولید مواد معطر
مواد معطری که در عطرهای مختلف بکار می روند قبل از آنکه عطر نهایی از ترکیب آنها به دست بیاید باید تهیه و تولید شوند. در انواع مواد معطر مصنوعی و طبیعی، مواد معطر مصنوعی از طریق واکنش های موجود در شیمی آلی تولید و خالص می شوند؛ اما مواد معطر موجود در منابع طبیعی با روش های متفاوت از مواد خام استخراج می شوند. نتیجه این استخراج اسانس، ابسولوت (absolute) ، کُنکریت (concrete) و یا کره نامیده میشوند که بسته به میزان موم در مواد استخراج شده این نامگذاری انجام می شود (انواع این مواد به دست آمده در ادامه به اختصار توضیح داده شده است). در همه این روشها بوی ترکیبات معطر بدست آمده تا اندازه ای متفاوت از مواد اولیه است. مسئله ای که به دلیل استفاده از گرما، حلال های قوی و یا تأثیر اکسیژن در روند استخراج می باشد که ترکیبات معطر را از حالت طبیعی خارج می کند طوریکه خصوصیات بویایی آنها را تغییر داده و یا کاملاً بی بو می سازد. در ادامه گزیده ای از روشهای استخراج را شرح می دهیم.
استخراج با حلال
تولید مواد معطر با حلال متداول ترین و اقتصادی ترین روش استخراج ترکیبات معطر در عطر سازی نوین است. در این روش مواد خام و اولیه در حلال هایی که می توانند ترکیبات معطر مورد نظر را در خود حل کنند غوطه ور می شوند. این عمل خیساندن و غوطه ور کردن در این روش از چند ساعت تا چند ماه می تواند زمانبر باشد. اغلب مواد معطر چوبی، فیبری و حیوانی از این روش استخراج می شوند. مواد معطری که بعلت فراریت زیاد از طریق تقطیر نمی توانند استخراج شوند و همچنین آنهایی که دما، ترکیبات و ماهیت آنها را عوض می کند از این روش استخراج میشوند. حلالهایی که معمولاً در روش استخراج با حلال بکار می روند شامل هگزان و دی متیل اتر است. نتیجه و محصول این روش به نام کنکریت (concrete) معروف است .
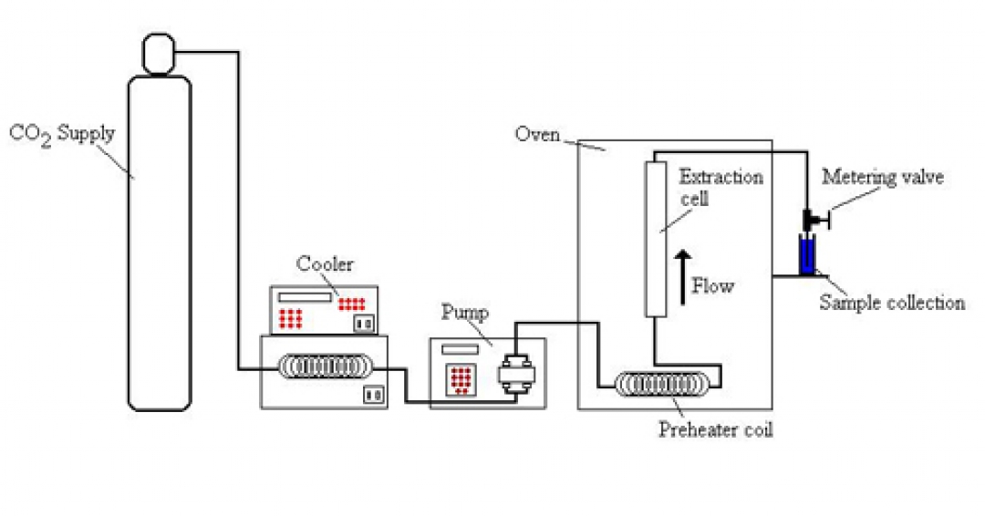
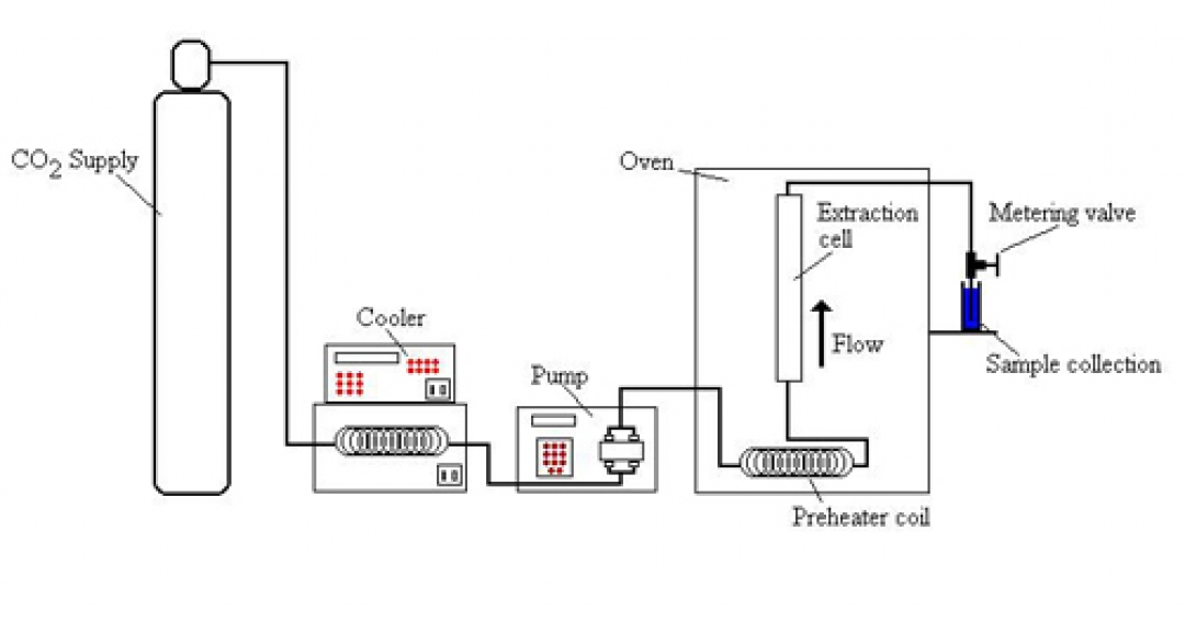
استخراج با سیال فوق بحرانی
تولید مواد معطر با سیال فوق بحرانی یک روش نسبتاً جدید برای استخراج مواد معطر از مواد خام است که در آن از دی اکسید کربن فوق بحرانی استفاده می شود. با توجه به دمای پایین فرآیند این روش و همچنین غیرفعال بودن دی اکسید کربن، ترکیبات معطر استخراج شده بویی بسیار نزدیک به مواد خام اولیه دارند و اصطلاحا رایحه مواد خام حفظ می شود.
استخراج با اتانول
تولید مواد معطر با اتانول نوعی از استخراج با محلول است که ترکیبات معطر را به صورت مستیم از مواد خام خشک بدست میآورد، هرچند مقداری ترکیبات روغنی ناخالص در نتیجه این فرایند باقی می ماند. در نظر داشته باشید این روش برای استخراج مواد معطر از مثلا گیاهان تازه مناسب نیست زیرا مقدار زیادی آب باقی می گذارد که ترکیبات معطر آن بایستی دوباره توسط حلال استخراج گردد.
استخراج به روش تقطیر
تولید مواد معطر با تقطیر کردن یک روش معمول در تهیه ترکیبات معطر از گیاهانی نظیر بهار نارنج و گل رز است. در تقطیر مواد خام حرارت داده شده و مواد معطر از طریق میعان بخار بوجود آمده بدست می آیند .
- تقطیر با بخار آب: بخاری که از جوشاندن آب ایجاد میشود از مواد خام عبور داده شده و مواد معطر فرار را جدا می کند. میعانات بدست آمده از تقطیر در بالن فلورنس جمع آوری می گردد، کاری که باعث شده آب به آسانی از روغنهای معطر جدا شود. آب به دست آمده از میعان که مقداری مواد معطر در خود دارد به هیدروسُل معروف است و در بازار خرید و فروش می شود. این روش استخراج برای منابع گیاهی تازه مانند گل، برگ و ساقه ها بسیار مرسوم است.
- تقطیر خشک/تقطیر تخریبی: در این روش مواد خام به صورت مستقیم و بدون حلال و نگهدارنده ای مانند آب در ظروف تقطیر حرارت داده می شوند. ترکیبات معطری که با حرارت زیاد به دست می آیند اغلب تحت تأثیر فرایند گرماکافت بدون آب قرار گرفته و ترکیبات معطر دیگری را به وجود می آورند. تقطیر خشک برای استخراج ترکیبات معطر از کهربا و رایحه های چوبی که در آنها حالت سوختگی مد نظر است به کار گرفته می شود.
- تقطیر جزء به جزء: با بکار گیری برج تقطیر اجزاء مختلف تقطیر شده از یک ماده به صورت انتخابی می توانند جدا شده تا بوی محصول نهایی را بهبود ببخشند. هرچند این روش هزینه بسیار بالایی به بار می آورد، اما گاهی برای حذف بوهای نامطبوع از ترکیبات به کار گرفته می شود تا عطرساز را در کنترل فرایند ترکیب عطرها کمک نماید .
استخراج با پرس سرد
تولید مواد معطر و تهیه روغن در این روش بصورت تحت فشار قرار دادن و پرس کردن مواد خام انجام می شود. از میان تمام مواد خام موجود، این روش فقط برای استخراج روغن های معطر پوست میوه مرکبات استفاده می شود، زیرا روغن موجود در آن به اندازه ای است که بکار گیری پرس سرد را از نظر اقتصادی مقرون به صرفه می کند.
استخراج به وسیله روغن های جاذب
مواد معطر در این روش جذب چربی و یا موم جامد شده و بعد بوسیله اتانول روغنهای معطر از آن جدا می شود. این شیوه وقتی به کار می رود که به علت تغییر ماهیت روغنهای معطر یا وجود حرارت بالا از روش تقطیر نتوان استفاده کرد. استخراج با روغن های جاذب به علت هزینه های گزاف آن و وجود روش های مؤثرتر دیگر، امروزه کاربرد چندانی ندارد.
انواع مواد معطر استخراج شده
مواد معطر استخراج شده به روش های بالا بطور کلی «اسانس (Essntial oils)» نامیده می شود. اما در صنعت عطرسازی زبان دقیقتری وجود دارد تا منبع، خلوص و تکنیک استخراج یک اسانس را تشریح کند. از این مواد استخراج شده فقط ابسولوت، اسانس، و تنتورها به طور مستقیم در فرمول بندی عطرها استفاده می شوند .
- ابسولوت: ترکیبات معطری که از طریق خلوص پماد و یا کنکریت و با استفاده از اتانول به دست می آیند. با استفاده از ترکیبی مانند اتانول، و بدون حل کردن مولکولهای مواد غیر معطر مومی شکل، بیشتر ترکیبات معطر از مواد مومی استخراج می شوند. ابسولوت ها به شکل یک مایع روغنی دیده می شوند .
- کُنکریت: مواد معطری هستند که با روش استخراج با حلال با هیدروکربنهای فرار از مواد خام بدست می آیند. کنکریت ها به علت سهولت حل شدن ترکیب های آب گریز در حلال ها، حاوی مقدار زیادی موم بوده و به همین دلیل در ادامه فرایند با استفاده از روش تقطیر و یا استخراج با حلال اتانول نیاز به تصفیه بیشتر دارند. کنکریت ها ترکیباتی مومی شکل و یا جامدهای رزینی یا روغنهای غلیظ مایع هستند.
- اسانس: مواد معطری هستند که به روش تقطیر و یا پرس سرد از مواد خام گرفته شده و به شکل مایع روغنی دیده می شوند. گاهی اوقات به این مواد حاصل شده از روش پرس سرد، روغن پرس نیز گفته می شود.
- پماد: ماده جامد و چرب و معطری که از روش استخراج با روغن های جاذب به دست می آید، پماد گفته می شود. در پماد ترکیبات معطر در مواد خام به چربی حیوانی جذب می شوند. پماد به شکل جامد روغنی و چسبناک دیده میشوند.
- تنتور: ترکیبات معطری هستند که مستقیم از طریق شناور کردن مواد اولیه در اتانول به دست می آیند. تنتور به شکل مایع رقیق است.
مواد معطری که از روشهای گوناگون استخراج می شوند به نام های مختلفی خوانده می شوند حتی اگر منابع اولیه و خام شان یکی باشد. برای مثال، شکوفه های بهار نارنج که تحت فرایند استخراج با حلال قرار میگیرند، محصولاتی به نام «ابسولوت بهار نارنج» به وجود می آورند اما اگر از روش تقطیر اسانس گیری شوند به محصول آن «روغن نرولی (neroli oil)» گفته می شود.

نظر بدهید